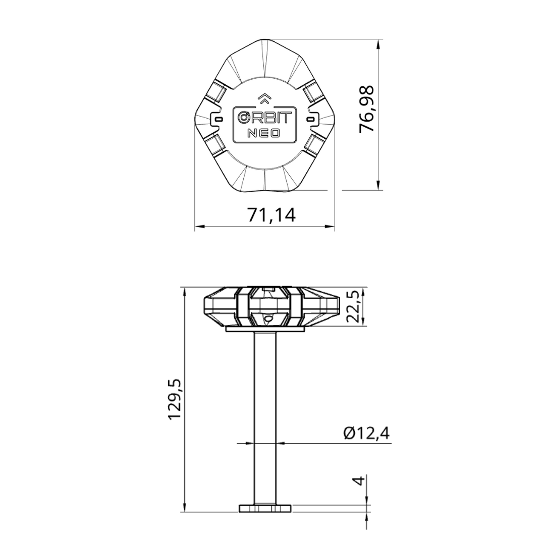
Orbit GPS Dimensions
Physical Dimensions and Mounting Specifications
This reference provides precise mechanical specifications to assist with installation planning and hardware integration.

Key Mechanical Specifications (Without Stand)
- Length: 74.2mm (±0.5mm)
- Width: 71.2mm (±0.5mm)
- Height: 18.4mm (±0.5mm)
- Mounting Holes: 4 x M3 Slots (see diagram for precise locations)
- Weight: 77g (with stand & cable)
This technical drawing provides precise dimensions to assist with integration planning, custom mounting solutions, and enclosure design.